Home
About
Company Profile
Culture
Honor
Products
Clean Air Conponent
Control element
Actuator
Auxiliary components
Vacuum element
News
Company News
Industry
Application
Downcenter
Contact
Chinese
Chinese
About
Company Profile
Culture
Honor
Products
Clean Air Conponent
Control element
Actuator
Auxiliary components
Vacuum element
News
Company News
Industry
Application
Downcenter
Contact
Actuator
Coupled rodless cylinder
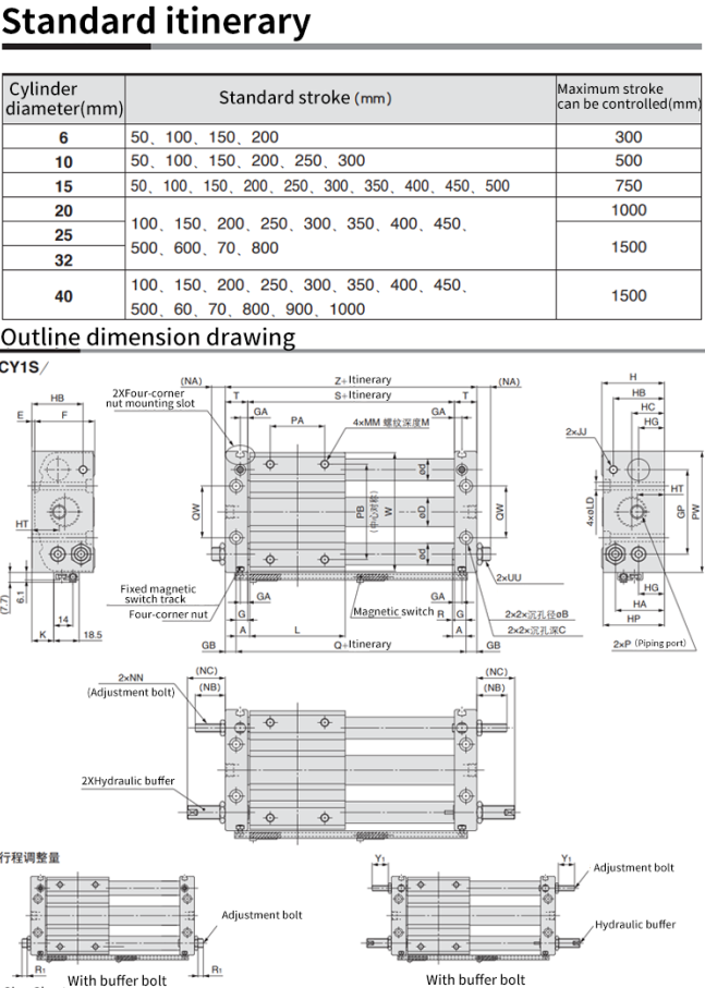
CY1S Coupled rodless cylinder